Доставка
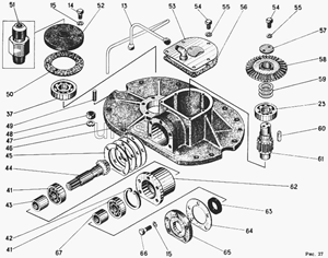
Починка редукторов поворота, лебедки предполагает множество видов работ по ремонту и замене элементов, которые вышли из строя. При необходимости производится монтаж, демонтаж лент тормоза грузовой лебедки, его сборка, разборка, замена масла. Для починки редуктора поворота также осуществляется монтаж и демонтаж тормоза механизма поворота в сборе, его ремонт, замена выходной шестерни, масла, вала карданного привода гидронасоса, изменение его длины.
